Universal Installation- Top or Undermount 1.2mm S.S 304
250mm extra deep bowl
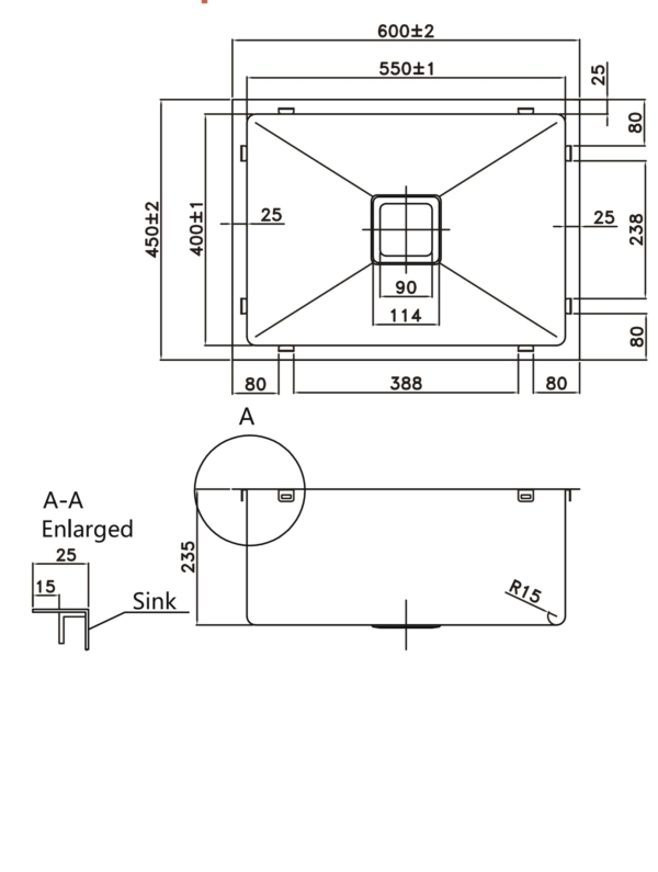
Bowl Size: 550*400*235mm
Overall Size: 600*450*235mm
Square wasted included
Electrical plated Gum Metal